氮化硼纳米管:性能、合成和应用

图 1.比较BNNT和CNT的主要性能。
氮化硼纳米管的合成
BNNT最早是在1995年通过电弧放电法合成的。2 此后,人们探索了激光烧蚀、化学气相沉积、球磨-退火、热解和电弧等离子体等 BNNT 合成工艺。在最近的几十年中,电感耦合等离子体(ICP)技术已被用于合成多种纳米结构材料。3-11 其中,ICP因其具有生产大量高质量BNNT的能力而备受关注。12-13 在ICP技术中,纯的h-BN粉末在富氢的氩气等离子体中蒸发,并在其中分解为构成元素(B、N和H)。在反应气体中氢气的存在对于达到催化作用是至关重要的。它的存在也消除了在 ICP 工艺中使用金属催化剂的需要,并产生了非常纯的小直径 BNNT。
BNNT 特性
基于ICP生长的BNNT材料被收集成块状13,从中可以分离出BNNT原纤维(图 2a)和抽出BNNT纱线(图 2b)。图 2 所示材料的轻微米色着色是因为少量非晶硼的存在,这些非晶硼可通过后处理有效去除。

图 2.(a) 可以从中提取 BNNT 纱线 (b) 的原纤维材料。
图3显示了基于ICP生长的BNNT的一些代表性扫描电子显微镜 (SEM) 图像。可以注意到,ICP 方法合成的 BNNT 由随机取向的纳米管组成。这归因于由 ICP 合成的 BNNT 在没有基质的情况下生长的事实。单独分离的 BNNT 的 SEM 分析表明它们的长度通常为几微米。

图 3.产生的BNNT材料的SEM显微照片。
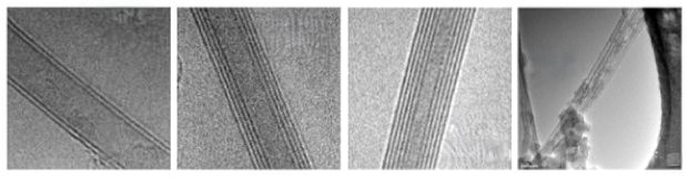
图4中还显示了BNNT的代表性透射电子显微镜 (TEM) 图像。这些图像显示基于ICP 生长的 BNNT 通常呈现多壁(2 至 5 壁)管状结构,并具有约 5 nm 的平均直径。图像还显示 BNNT 壁无缺陷,ICP 合成确实可以产生高质量的 BNNT。

图 4.原生BNNT的TEM分析。
在UV-Vis范围内表征厚度为约0.2 μm的BNNT薄膜的光学特性如图5所示。在宽波长范围内观察到良好的透射率。也可以看到在 ~200 nm 处的强效吸收,典型的六方 BN (h-BN) 相。BNNT 在可见光范围内的这种透明性使得它们能够结合到复合材料中,例如增强玻璃,在其中光学性质是非常重要的。

图 5.BNNT薄膜的UV-Vi透射率
BNNT 的热稳定性和化学稳定性非常突出。已知 BNNT 材料在高达 900 °C 温度下的空气中是稳定的,并且可以承受长时间的苛刻氧化条件。图6说明了这一点,其中将BNNT巴克纸折叠片暴露在天然气火焰中的行为与普通纸和CNT巴克纸进行了比较。15 虽然碳纳米管在燃烧前能比普通纸张多抵抗几秒钟的曝光,但BNNT材料在恒定的天然气火焰暴露150秒后仍然完好无损,这证明了BNNT材料的非易燃性。

图 6.BNNT与普通纸和CNT巴克纸相比的阻燃性。
BNNT 应用
高刚度和优异的化学稳定性使 BNNT 成为聚合物、陶瓷和金属增强的理想材料。例如,已经成功开发了基于巴基纸的BNNT/环氧树脂复合材料和聚氨酯改性的巴基纸复合材料。1,16这些复合材料的杨氏模量是纯环氧树脂的两倍,是未浸渍巴克纸的20倍。BNNT也是增强铝基结构最有前途的一类材料。17BNNT的低反应活性有利于将该材料整合到铝基体中,在该基体中,由于碳和铝在界面处形成不需要的Al4C3相,碳纳米管失效。BNNT 还表现出比铝熔点 (660 °C) 高得多的氧化温度 (~950 °C),这使得 BNNT 能够直接均匀地分散到铝熔体中。由于 BNNT 在很低的密度下仍保持其高温力学性能,因此可以开发新型耐温轻质 MMC。BNNT 也表现出良好的导热性。这使得它们在散热非常关键的纳米电子学中的应用中表现突出。这也使得 BNNT 具有多样化的功能,因为它不仅提高了复合材料的刚度,而且还产生了高导热率和高透明度。BNNT增强玻璃复合材料的开发已经利用了高刚度和高透明度的组合。18 BNNT 的其他固有性质,如良好的辐射屏蔽能力,19高电阻和优异的压电性能,很可能促进人们有兴趣将它们用于到新应用中。
总结
由于 BNNT 的不易获得,涉及它们的应用仍在发展中。因此使用 ICP 合成 BNNT 可以大规模地生产高质量的材料,前景光明。向科学界提供大量高质量的 BNNT 将有助于推动对其独特性质的更深入研究,并加速新应用的开发。
材料
参考文献
如要继续阅读,请登录或创建帐户。
暂无帐户?